XSM系列馬達是本公司集合多年生産實踐經驗,在意大利技術基礎上進行了設計改進,使XSM系列馬達殼體強度增加,内部動态元件承載能力和抗污染能力增強。這一特點使該系列馬達具有很高的連續功率範圍。由于機械效率和容積效率高,同時又減少了内部單位負載力,因此減少了熱量産生以及與此相關的負面效應。其主要特點如下:
1.由于活塞與擺缸不存在側向力,活塞底部設計成靜壓平衡,活塞與曲軸之間通過途動軸承傳遞扭力,這些均減少了傳力過程中的摩擦損失。因而XSM系列液壓 馬達具有很高的機械效率、高的起動扭矩(起動時機械效率0.92以上)的特點。
2.平面配流器簡單可靠,密封性能好,洩漏很少。活塞與擺缸之間用塑料活塞環密封無洩漏,因而具有很高的容積效率(可達0.99)。
3.擺缸耳軸與後蓋和殼體的軸孔之間采用具有減摩和自潤滑性能的複合材料軸套。從結構上減少了摩擦損失,提高了密封性能和抗污能力。因而提高了低迷穩定性機械效率和工作可靠性。
4.由于活塞與軸承套通過卡環使其貼牢不存在間隙,因而該系列液壓 馬達可以作泵工況下運轉,當進油口封閉後馬達可在自由輪工況下運轉(作泵工況時需補油壓力,這可提高工作可靠性)。
5.該系列液壓 馬達壓力高,較高壓力可達35MPa。重量輕、體積小,比功率高。
6.由于結構簡單,設計合理,來用負荷能力大的軸承,因而工作可靠、壽命長、噪音低,傳動軸允許承受徑向負荷,旋轉方向可逆。
由于XSM系列液壓 馬達具有上述一系列特點,故廣泛應用于塑料機械、輕工機械、冶金機械、礦山機械、起重運輸設備、重型機械、石油煤礦機械、船舶甲闆機械、機床、地質鑽探設備等各種機械的液壓傳動系統中。特别适用于提升絞盤、卷筒驅動、各種回轉機械驅動、履帶和輪子行走機構的驅動等傳動機械中。





外形尺寸

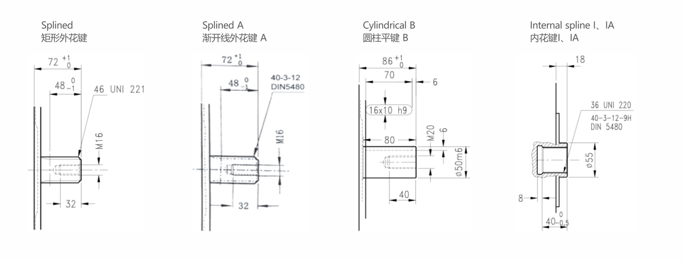
軸伸形式

花鍵參數
